Deine E-Mail-Adresse wird nicht veröffentlicht. Erforderliche Felder sind mit * markiert
Kommentar *
Name *
E-Mail-Adresse *
Website
Mit der Nutzung dieses Formulars erkläre ich mich mit der Speicherung und Verarbeitung meiner Daten durch diese Website einverstanden. *
Vorheriger Beitrag
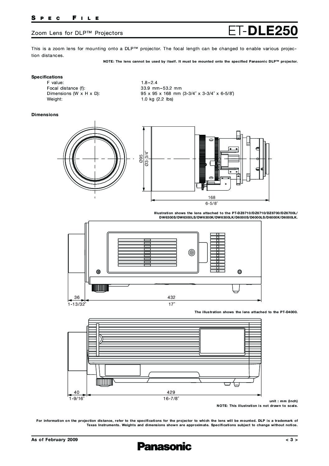
et_dle250
Deutsch
Präsentiert von OneTap
Standard